Многогранная опора ПМ10-2
Многогранная опора ПМ10-2
Многогранная опора ПМ10-2
Многогранная опора ПМ10-2

Многогранная опора ПМ10-2

Наличие

Есть

Доставка

По России и СНГ

Оплата

Безналичный расчет

Цена

По запросу

Технические характеристики

Способ установки
прямостоечная
Способ производства
граненая
Высота, мм
9300
Высота до нижней траверсы, мм
8400
Диаметр нижний, мм
310
Класс напряжения, кВ
10
Конструкция
одноцепная, свободностоящая, без тросостойки для грозотроса
Защитное покрытие
горячее цинкование
Лакокрасочное покрытие
Порошковое / полимерное окрашивание
Срок службы
30 лет
Назначение
промежуточная

Описание

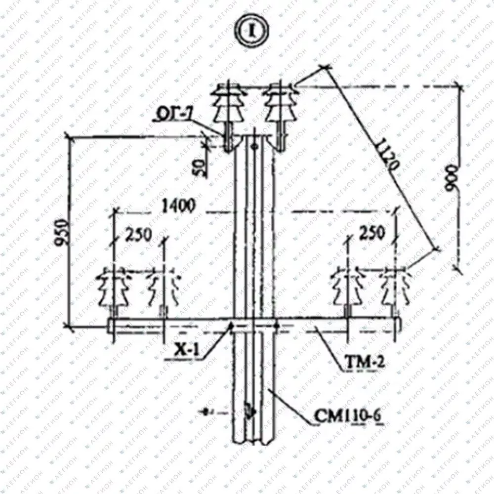
Многогранная опора ПМ10-2, производимая по типовому проекту 22.0028, является одноцепной свободностоящей конструкцией для строительства и реконструкции воздушных линий электропередачи классом напряжения 10 кВ. Общая высота опоры составляет 9,3 метра, что обеспечивает безопасное расстояние проводов до земли и объектов. Ключевой особенностью этой модели является метод установки: опора монтируется путем прямого заглубления нижней части в грунт с последующим бетонированием, что полностью исключает необходимость устройства монолитного фундамента. Для изготовления несущего ствола используется конструкционная сталь марки С245, гарантирующая необходимую прочность и жесткость. Надежную защиту от коррозии на протяжении всего срока службы обеспечивает покрытие методом горячего цинкования. Конструкция сертифицирована для эксплуатации в ветровых районах с I по VI, что подтверждает ее устойчивость в различных климатических условиях России.

Конструкция опоры представляет собой конический граненый ствол с нижним диаметром 310 миллиметров. Отсутствие тросостойки для грозозащитного троса указывает на ее применение на участках, где такая защита обеспечивается иными проектными решениями. Весь процесс монтажа сводится к нескольким операциям: подготовке котлована заданной глубины, установке в него опоры, выверке вертикального положения и последующему бетонированию подземной части. Такой технологичный подход позволяет значительно сократить сроки строительства, минимизировать объем земляных работ и снизить общую стоимость монтажа. Опора поставляется в виде готового изделия, не требующего сборки на месте, что ускоряет процесс установки.

Применение

Данная модель применяется для сооружения прямых участков трасс распределительных сетей 10 кВ в сельской и городской местности. Опора ПМ10-2 оптимальна для строительства новых линий электропередачи к дачным поселкам, коттеджным массивам и объектам инфраструктуры. Она широко используется при модернизации существующих воздушных линий с заменой устаревших деревянных опор на современные и долговечные стальные конструкции. Благодаря простому методу установки опора востребована на участках со сложным рельефом, в болотистой местности или на каменистых грунтах, где традиционный фундаментный монтаж затруднен или экономически нецелесообразен. Конструкция также применяется для организации ответвлений от основных магистралей к отдельным потребителям.

Преимущества практического использования

Выбирая продукцию НПО «Легион», вы получаете надежное решение, созданное с учетом многолетнего опыта работы в энергетике. Технология горячего цинкования обеспечивает комплексную антикоррозионную защиту не только надземной, но и заглубленной части опоры, напрямую контактирующей с грунтом. Это гарантирует расчетный срок службы конструкции не менее 30 лет без необходимости проведения восстановительных работ. Свободностоящее исполнение без оттяжек экономит полезное пространство, не создает препятствий для сельскохозяйственной или иной деятельности и упрощает обслуживание трассы линии. Унификация размеров в соответствии с типовым проектом обеспечивает полную взаимозаменяемость опор и их легкую интеграцию в проекты различного масштаба. Все изделия проходят многоступенчатый контроль качества и соответствуют требованиям отечественных стандартов и технических регламентов для объектов электроэнергетики.

Купить Многогранная опора ПМ10-2

Наше предприятие осуществляет полный цикл производства металлоконструкций для энергетики, от обработки листового металла до нанесения финишного защитного покрытия. Мы предлагаем гибкие условия сотрудничества, индивидуальный подход к каждому заказу и оперативные сроки изготовления. Наши специалисты готовы предоставить полный комплект технической документации, оказать консультативную поддержку по вопросам монтажа и помочь в подборе оптимальных решений для вашего проекта. Для расчета стоимости, оформления заказа на партию опор ПМ10-2 или получения подробных технических консультаций свяжитесь с нами по указанным контактам. Мы обеспечиваем доставку продукции транспортными компаниями во все регионы Российской Федерации.

Телефон: 8(800)500-51-37
Email: info@legionural.ru

Голосов 12 Рейтинг 4.8

Оставить заявку

Оставьте свои контактные данные и мы перезвоним
вам в ближайшее время.

Заявка успешно отправлена!
В ближайшее время наш менеджер свяжется с Вами.
Нажимая кнопку отправить, вы соглашаетесь с нашей политикой конфедециальности
Главная Каталог Заявка Контакты Завод
No Content